ЦЕХ ЗА МЕТАЛНИ ИЗДЕЛИЯ И ОФИС ПОМЕЩЕНИЯ НА ДВЕ МЕЖДИННИ НИВА, ШУМЕН
РЗП
ОТВОР
АРХИТЕКТ
——
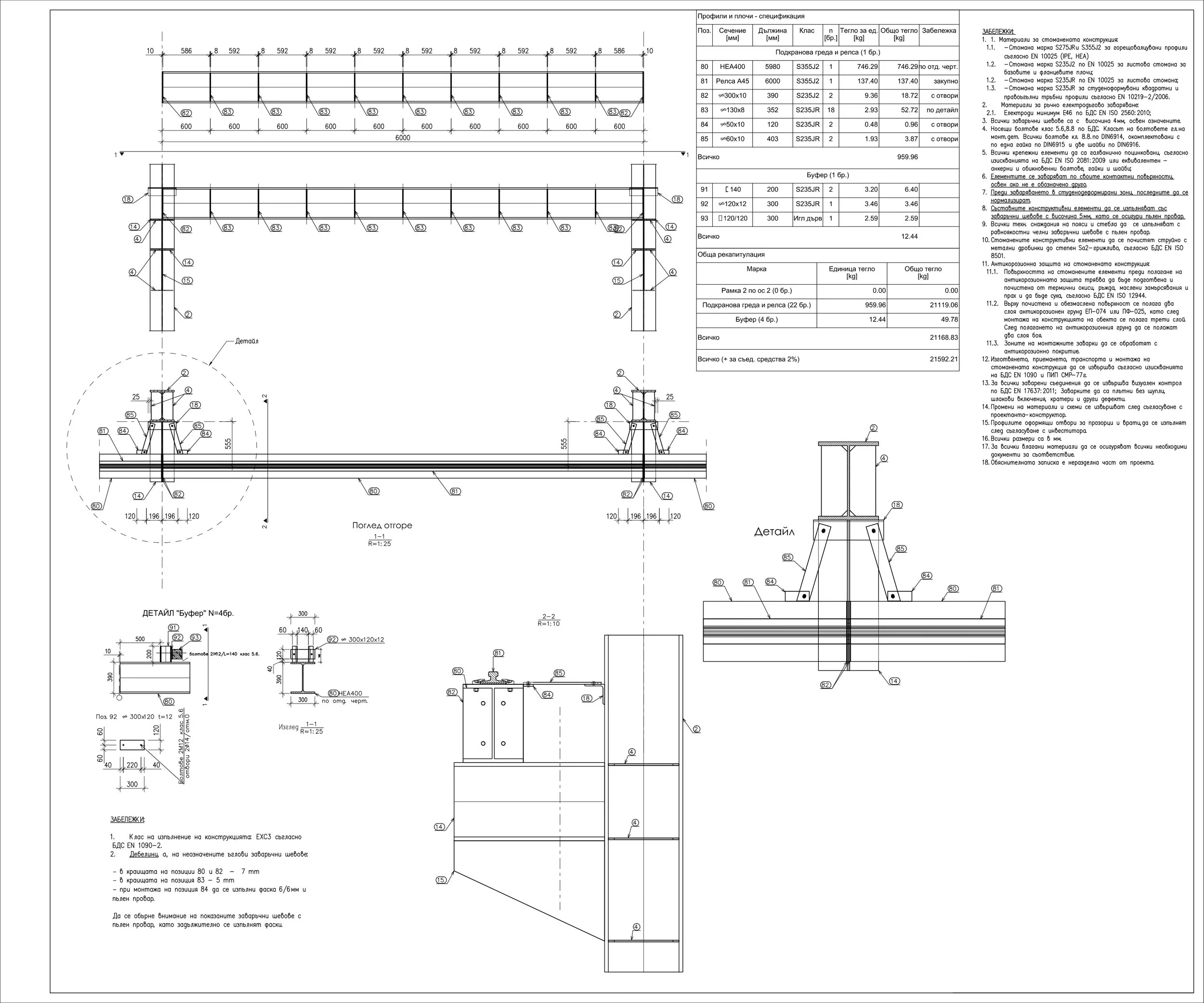
Кран - на колоните монтирана подкранова греда; Цех за метални изделия и офиси на две междинни нива на кота +4,40 и 7,40
1600 m²
18,0 m
SAD “O.GARBEV“
РЗП
ОТВОР
АРХИТЕКТ
——
Кран - на колоните монтирана подкранова греда; Цех за метални изделия и офиси на две междинни нива на кота +4,40 и 7,40
1600 m²
18,0 m
SAD “O.GARBEV“